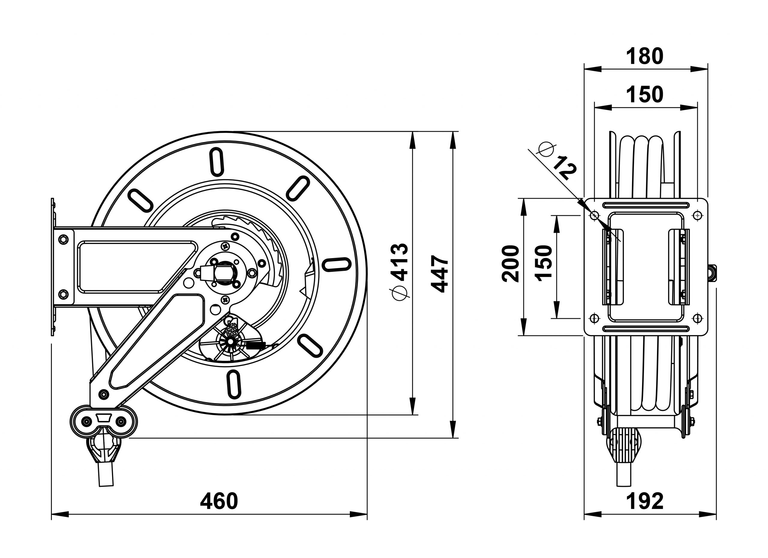
Olja - Vatten, 60 bar Slangvinda försedd med ställbara utmatningsarmar. Lätt att placera, även i trånga utrymmen. Kan även takmonteras. Vindan är pulverlackerad och utrustad med returfjäder. Kan kompletteras med svängbart väggfäste om slangen skall dras ut eller matas in i sidled. Slitaget på vindan blir mindre och slangen rullas upp jämnare. Oljebeständig gummislang.