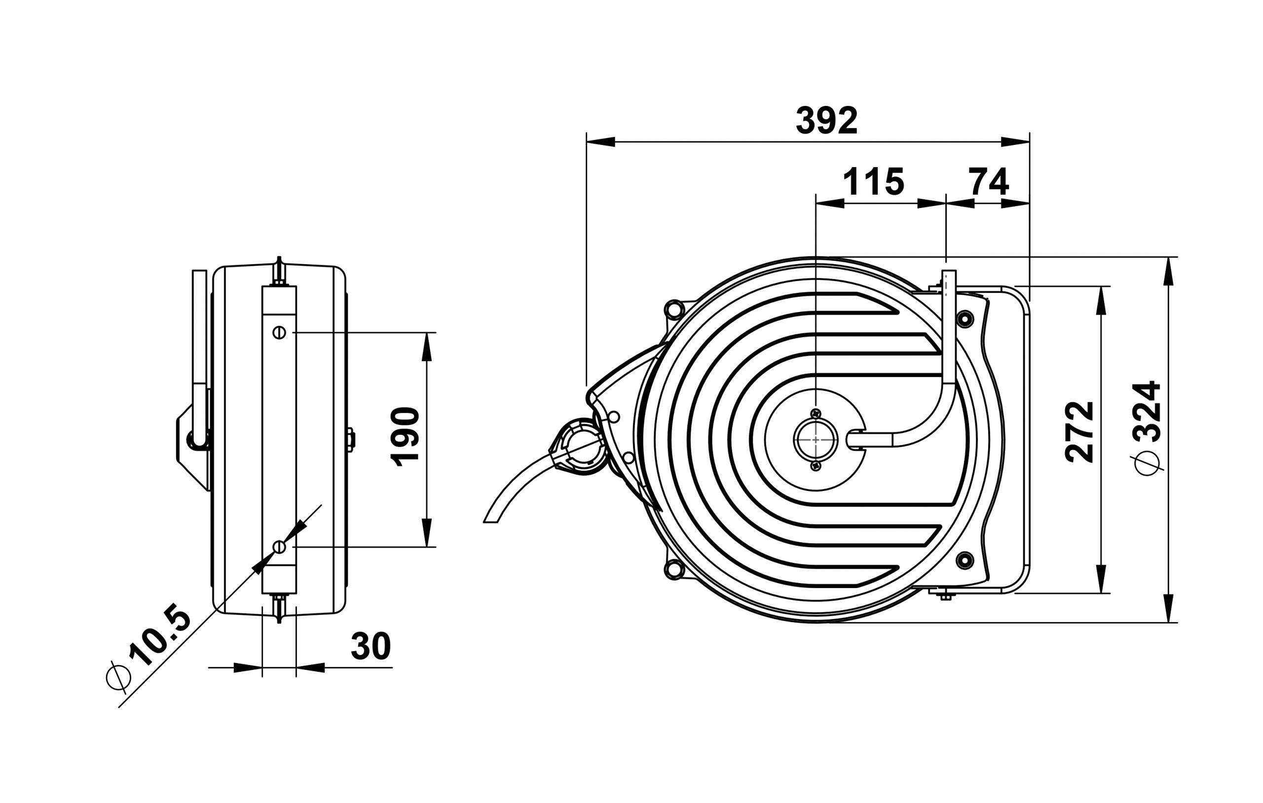
SLANGVINDA M.BROMS 8MM 15M

Luft - Vatten, 20 bar
Kapslade vindor med pu-slang utrustade med returbroms för kontrollerad inrullning. Levereras med svängbart väggfäste.