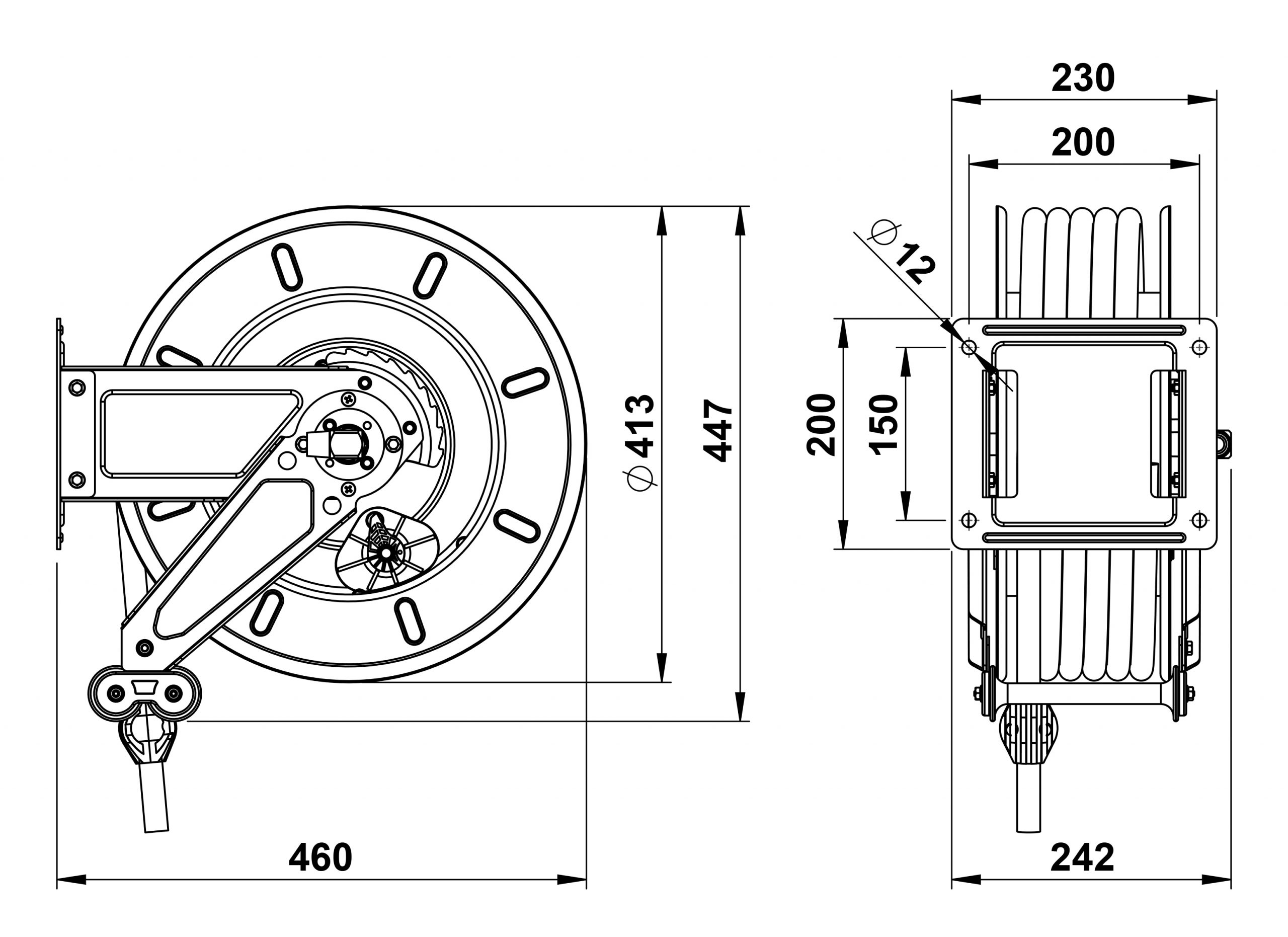
SLANGVINDA 400BAR 3/8″ 20M

Högtrycksvatten, 400 bar
​Slangvindor försedda med ställbara utmatningsarmar. Lätta att placera, även i trånga utrymmen. Kan även takmonteras. Kan kompletteras med svängbart väggfäste om slangen skall dras ut eller matas in i sidled. Slitaget på vindan blir mindre och slangen rullas upp jämnare. Vattentemperatur max 150 °C. Stålarmerad gummislang.